L-乳酸不锈钢膜分离系统-PLC&动力柜端子图
大小4.49 MB
格式pdf文档
语言中文版
类别工业控制系统/工控系统行业解决方案
更新日期2025-12-22
收藏
资料说明
资料名称:

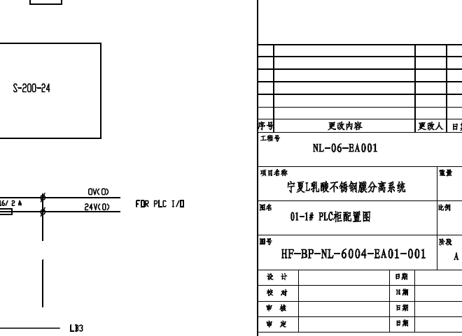
L-乳酸不锈钢膜分离系统-PLC&动力柜端子图

资料类型:

化工自动化解决方案

适用产品:

L-乳酸

主要内容关键词:
L-乳酸不锈钢膜分离系统
PLC控制柜
动力柜端子图
摘要说明:

该资料为“L-乳酸不锈钢膜分离系统”相关的PLC与动力柜端子图技术文档,包含若干数据表格与端子接线信息。主要内容包括: 一份列有“川崎隆美乳品”项目名称的重复性数据列表(第2页); 部分设备端子编号与测试信息(如“测试磁阀端子”); 设备配置表或接线表(第9页、第17页);

留言